产品描述
排气螺丝用于密封舱或密封壳体的内外部空气连通,因密封舱常需要抽气达到负压或因舱体闭合后因内外气压不同导致难以拆除封闭法兰,所以需要预装排气螺丝,拧下排气螺丝的堵头后,内外空气联通,便于拆卸封闭法兰。排气螺丝的堵头可以使用内六角螺丝方便拆卸,拧上后可以耐受1000米的水压。内部带有不锈钢滤网,防止细小杂质落入。
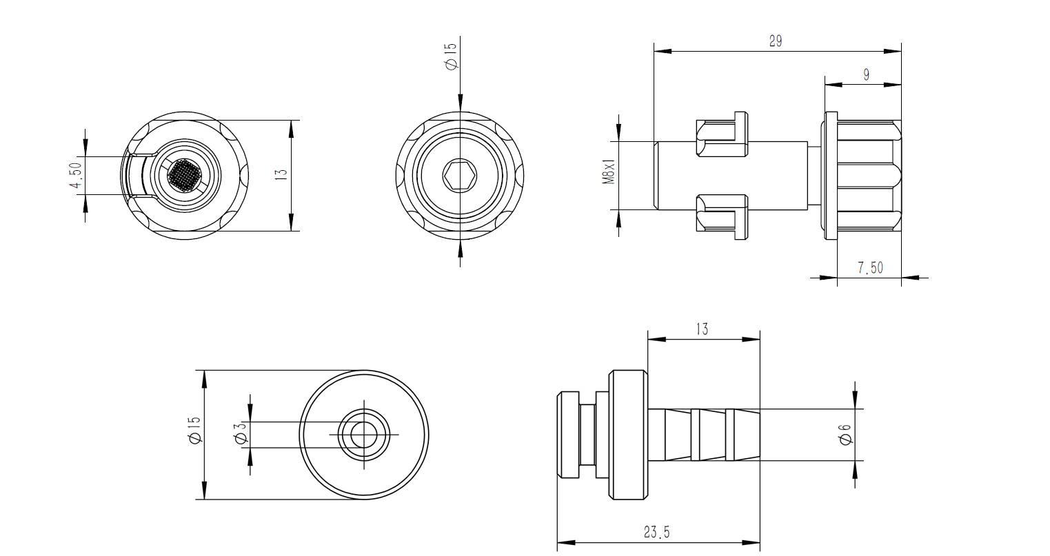
六边形螺栓的扳手槽未贯穿至底部,保留的圆形台阶可以保护舱盖以免扳手操作时划伤舱盖密封面。

清单
包含以下项目:
- 1 x 排气螺丝
- 1 x 密封圈
- 1 x 螺母
- 1 x 排气堵头
- 1 x M8排气螺丝抽真空气嘴(选购)

参数
| 产品 | 货号 | 材质 | 外观 | 密封圈规格(均为O型圈) | 密封圈材质 |
|---|---|---|---|---|---|
| M8排气螺丝 | 14010103-0008 | 铝合金+不锈钢 | 不锈钢本色堵头,黑色螺栓 | Ø10 x 1.5 | FKM75 氟胶棕色 |
| M8排气螺丝抽真空气嘴 | 14010103-0018 | 铜 | 铜本色 | - | - |
| 参数 | 排气螺丝 |
|---|---|
| 最大额定深度 | 1000米 / 3280英尺 |
| 设计寿命 | 3年或500次循环 |
| 额定温度(空气) | -25 至 60°C / -13 至 140°F |
| 额定温度(水) | -4 至 40°C / 32 至 104°F |
| 堵头内六角规格 | 3mm内六角扳手 |
| 堵头材质 | 不锈钢 |
| 螺栓材质 | 铝合金 |
| 螺栓螺纹规格 | M8x1 |
| 滤网规格 | 60目 |
| 滤网材质 | 不锈钢 |
| 气嘴适配软管 | 内径5外径8软管 |
| 气嘴是否自密封 | 否 |
外形尺寸:

推荐安装孔:

| 推荐安装孔尺寸 | 排气螺丝 |
|---|---|
| 开孔尺寸 (A) | Ø8.1±0.1 / 螺纹 |
| 舱壁厚度 (B) | 14 |
| 表面范围 (C) | 17 |

指南
FAQ
● 堵头需要拧很紧吗?
不需要,只要拧到顶部齐平即可,松紧程度不影响密封效果,太紧反而不易拆卸。
● 什么情况下需要用?
推荐任何密封舱体都配备一个,方便内外部通气拆装。
● 拧下堵头时候螺丝会跟转松脱吗?
有可能,建议使用螺纹胶在螺丝和螺母处,但堵头上请不要涂抹螺纹胶。
● 每次拧下堵头都要涂抹润滑脂吗?
建议每次都涂抹,一方面涂抹过程可以检查密封圈是否有磨损,另一方面润滑脂可以让安装更顺畅。